Philips HF-R 158 TL-D EII 220-240V for 1x58W
Pourquoi les prix et les stocks ne sont pas affichés ?
Les prix et les stocks de nos produits sont uniquement disponibles pour les professionnels disposant d’un compte. Pour y avoir accès, veuillez vous connecter ou vous créer un compte.
Caractéristiques
Effacer
Informations Générales
| Quantité recommandée | 12 |
|---|
Informations Générales
| Réf. | 180445 | |
|---|---|---|
| EAN | 8711500910172 | |
| EOC FR | 910172 | |
| Marque | Philips | |
| Nom du fabricant | HF-R 158 TL-D EII 220-240V 50/60Hz | |
| Durée de Vie Moyenne (heure) | 0 | |
| Garantie Totale | 1 an |
Informations techniques
| Technologie | Accessory | |
|---|---|---|
| Wattage | 0 | |
|
i
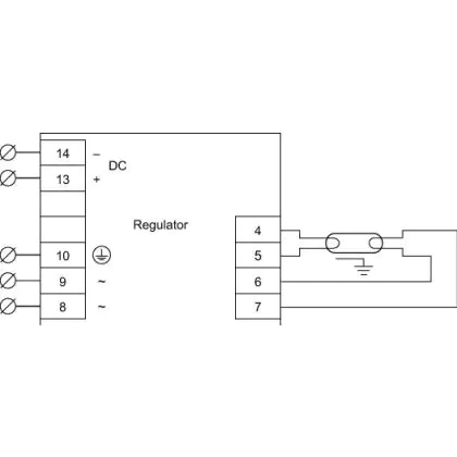
Le ballast est un terme qui désigne un appareil permettant de réduire l’intensité électrique, il permet par exemple d’alimenter votre source en 12V avec une tension native de 220V. Il existe deux types de ballasts. D’un côté le ballast conventionnel (ou ferromagnétique) et de l’autre le ballast électronique. Le ballast conventionnel nécessite un starter alors que pour un ballast électronique il n’y en a pas besoin.
|
Ballast | Electronique (HF) |
| Ballast pour lampe | TL-D | |
| Adapté pour lampe | TL-D | |
| Puissance Maximale Estimée | 58 | |
| Connexion du Luminaire | Wago 251 | |
| Dimmable | Oui, dimmable 1-10v | |
| Type d'accessoires | Ballast | |
| Nombre de lampes | 1 |
Informations du capteur
| Type de capteur | Pas de détecteur |
|---|