Philips HID-HighPower BSN 1000 L78 230/240V 50Hz HP-257
Waarom kan ik geen beschikbaarheid of prijzen zien?
Je kunt de beschikbaarheid en onze lage prijzen alleen zien als je inlogt. Je kunt wel ons assortiment verkennen. Nog geen klant? Vraag jouw account aan door te registreren.
Specificaties
Reset
Algemene informatie
| Aanbevolen aantal | 1 |
|---|
Algemene informatie
| Artikelnummer | 180335 | |
|---|---|---|
| EAN | 8711500996640 | |
| EOC FR | 996640 | |
| Merk | Philips | |
| Fabrikantnaam | BSN 1000 L78-A2 230/240V 50Hz HP-257. | |
| Garantie | 1 jaar |
Technische Informatie
| Technologie | Accessory | |
|---|---|---|
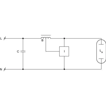
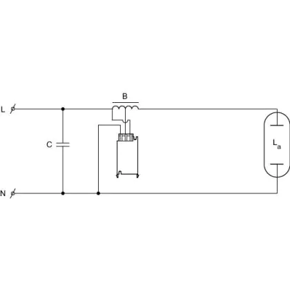
| Geschikt voor lamptype | HPI, HPL, MH, SON | |
| VSA voor lamptype | HPI, HPL, MH, SON | |
| Maximale Wattage Lamp | 1000 | |
| Aantal benodigde lampen | 1 | |
| Type assesoires | Ballast |
Sensor Informatie
| Sensortype | Geen sensor |
|---|