Philips HID-HeavyDuty BSN 70 L33-TS 230V 50Hz HD1-118
Pourquoi les prix et les stocks ne sont pas affichés ?
Les prix et les stocks de nos produits sont uniquement disponibles pour les professionnels disposant d’un compte. Pour y avoir accès, veuillez vous connecter ou vous créer un compte.
Caractéristiques
Effacer
Informations Générales
| Quantité recommandée | 6 |
|---|
Informations Générales
| Réf. | 180348 | |
|---|---|---|
| EAN | 8711500059680 | |
| EOC FR | 059680 | |
| Marque | Philips | |
| Nom du fabricant | BSN 70 L33-A2-TS 230V 50Hz HD1-118 | |
| Garantie Totale | 1 an |
Informations techniques
| Technologie | Accessory | |
|---|---|---|
| Adapté pour lampe | CDO, HPI, MH, SON | |
|
i
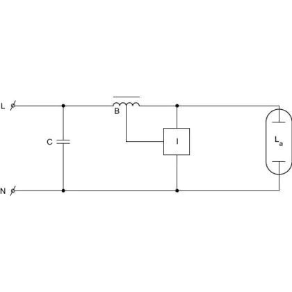
Le ballast est un terme qui désigne un appareil permettant de réduire l’intensité électrique, il permet par exemple d’alimenter votre source en 12V avec une tension native de 220V. Il existe deux types de ballasts. D’un côté le ballast conventionnel (ou ferromagnétique) et de l’autre le ballast électronique. Le ballast conventionnel nécessite un starter alors que pour un ballast électronique il n’y en a pas besoin.
|
Ballast | Electronique (HF) |
| Ballast pour lampe | CDO, HPI, MH, SON | |
| Puissance Maximale Estimée | 70 | |
| Nombre de lampes | 1 | |
| Type d'accessoires | Ballast |
Informations du capteur
| Type de capteur | Pas de détecteur |
|---|